50TAC100C
- 联系我们
来源:富艾博机械进出口(上海)有限公司
所属栏目:NSK轴承
产品描述:我公司销售NSK 50TAC100C ,能为客户提供样本图纸,NSK轴承通过(运行与控制)之技术,为建设一个舒适而安全的社会尽心尽力。CHALLENGERS 还将可以接入国际互连网,向世界各地的NSK 经销商开放市场情报。NSK的全球电子物流系统将与时代同步进入网络新纪元。对于需要此轴承内外圈、内外...

- 轴承型号
-
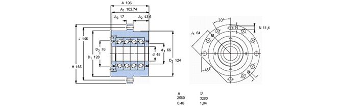
型号50TAC100C
- 内径-(mm)
-
d50
- 外径-(mm)
-
D100
- 厚度-(mm)
-
B20
- 动负荷-(kN)
-
cr
- 静负荷-(kN)
-
cor
- 疲劳载荷极限-(kN)
-
疲劳载荷极限
- 参考转速-(r/min)
-
参考转速3000
- 极限转速-(r/min)
-
极限转速3900
上一篇:45TAC100CDDG
下一篇:50TAC100CDDG


