ZKLF50115-2RS-PE
- 联系我们
来源:富艾博机械进出口(上海)有限公司
所属栏目:FAG轴承
产品描述:我公司销售FAG ZKLF50115-2RS-PE轴承 ,能为客户提供样本图纸,自2001年起,FAG轴承在航空航天、汽车和工业领域起到了积极和重要的作用,产品涵盖了生产机械、动力传输与铁路、重工业以及消费品行业中所有的应用范畴。FAG轴承生产外径从3毫米到4.25米的各类球轴承和滚子轴承,包括依据...

- 轴承型号
-
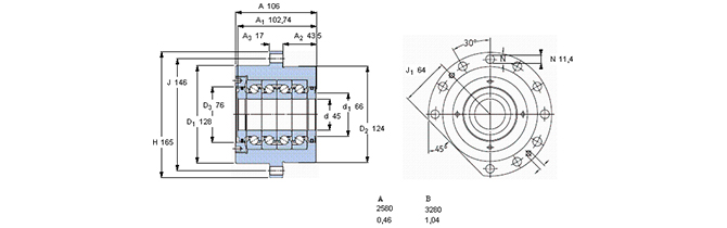
型号ZKLF50115-2RS-PE
- 内径-(mm)
-
d50
- 外径-(mm)
-
D115
- 厚度-(mm)
-
B34
- 动负荷-(kN)
-
cr46500
- 静负荷-(kN)
-
cor126000
- 疲劳载荷极限-(kN)
-
疲劳载荷极限
- 参考转速-(r/min)
-
参考转速
- 极限转速-(r/min)
-
极限转速
上一篇:ZKLN50110-2Z-XL
下一篇:ZKLF50115-2RS-XL


